• Kit bras articulés 24v BL3924 CARDIN
  • Kit bras articulés 24v BL3924 CARDIN
  • Kit bras articulés 24v BL3924 CARDIN
  • Kit bras articulés 24v BL3924 CARDIN
  • Kit bras articulés 24v BL3924 CARDIN
  • Kit bras articulés 24v BL3924 CARDIN

Kit bras articulés 24v BL3924 CARDIN

Réf GDV : CAR-KTBL3924MCB

Réf fabriquant : CAR-KTBL3924MCB

• Groupe autobloquant maître avec moteur 24V contrôlé par encodeur, programmateur électronique, récepteur 433MHz FM, chargeur de batterie + batteries NiMH.

• Groupe autobloquant esclave pour automatiser le deuxième vantail

2 bras articulés standard en aluminium moulé sous pression et peint.

• 2 télécommandes radio 4 canaux 433MHz FM ROLLING CODE

• Câble de branchement de 10m avec embouts pré-isolés.

• Panneau d'avertissement international multilingue en aluminium.

• Clignoteur à LED 24V-230V avec antenne intégrée.

• Paire de cellules photoélectriques, application en saillie produits de catégorie 3 avec tête optique réglable, portée 10m.

Description

Automatisme complet avec moteur 24V pour fermetures battantes à deux vantaux, constitué d’un opérateur maître avec programmateur, module multi- décodage S449-S486-S504-S508, récepteur à carte 433MHz, chargeur de batterie + batteries NiMH et un opérateur esclave pour la motorisation du deuxième vantail asservi au premier.

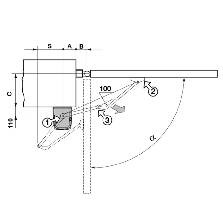
Particulièrement indiqué pour portails avec piliers de grandes dimensions avec gonds déportés par rapport au bord du pilier. L’idéal également pour portails de 3.5 mètres de long (jusqu’à 5m dans la version avec bras articulé, serrure électrique obligatoire), poids maxi. 400kg par vantail.

Très robustes, les bras d’entraînement sont réalisés en aluminium moulé sous pression, et dotés d’articulations adaptées à tout cas de figure, ce qui permet de répondre à la motorisation de portails battants de toutes configurations.

L'électronique de contrôle de nouvelle génération est dotée d’un afficheur LCD graphique en six langues avec rétroéclairage. Elle permet de visualiser, au moyen du menu, toutes les fonctions en cours d’exécution, le nombre de manœuvres effectuées par l’automatisme et de configurer rapidement les paramètres du système. De plus, elle permet de programmer 10 évènements (visualisés sur l’afficheur), grâce à la présence d’une horloge. Le contrôle effectué par la centrale se complète par les sécurités anti-coincement et par les fonctions de “soft start” et “soft stop”. Le repositionnement intervient en automatique si des évènements non liés au fonctionnement du portail surviennent sur sa course.

Compatible avec le système INTPRG-3G/WF qui permet le contrôle et la programmation à distance des paramètres du système.

Pour portails d'un poids maxi. 400kg.

Détails du produit

  • Type de produit
    KIT

Connectez-vous pour consulter les prix

  • +10 Agences Nos comptoirs vous proposent un accueil chaleureux ainsi qu’une disponibilité et une compétence technique pour la mise en œuvre de vos installations.

    +10 Agences

    Nos comptoirs vous proposent un accueil chaleureux ainsi qu’une disponibilité et une compétence technique pour la mise en œuvre de vos installations.

  • Des experts à votre service Une équipe de commerciaux expérimentés se tient à votre disposition pour vous aider dans vos études, chiffrages et questions techniques.

    Des experts à votre service

    Une équipe de commerciaux expérimentés se tient à votre disposition pour vous aider dans vos études, chiffrages et questions techniques.

  • Livraison J+1 Des milliers de produits en stock, disponibles en livraison J+1 pour toute commande passée avant 14h !

    Livraison J+1

    Des milliers de produits en stock, disponibles en livraison J+1 pour toute commande passée avant 14h !

Chargement...
WhatsApp
Une question ?

Scannez ce QR code avec votre téléphone pour démarrer la conversation WhatsApp :